T113s3开发板绘制
2026/3/26大约 3 分钟
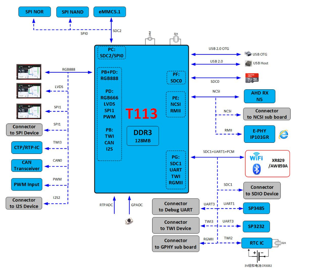
T113s3开发板绘制
介绍


1. 第一阶段:天生本领 (BROM 固化代码)
- 文档说: 硬件上电复位,CPU 执行 BROM 固化代码,初始化电源、时钟。
- 通俗解释: 芯片一通电,CPU 其实是“失忆”的,它只知道去读一段出厂时就刻在芯片里的死指令(BROM)。这段代码告诉 CPU 最基本的生存技能:如何呼吸(时钟)、如何吃饭(电源)、如何看看周围有没有路(总线)。
- 对你画板子的意义: 你需要保证 电源(DC-DC/LDO) 的电压是对的,且 晶振(时钟) 起振了,否则第一步就挂了。
2. 第二阶段:先遣队进入小样板 (Boot0 阶段)
- 文档说: 将系统初始化信息从存储介质读取到 SRAM,执行 Boot0。
- 通俗解释: 芯片内部的内存(SRAM)非常小,装不下庞大的系统。所以 CPU 先从你的 TF 卡或 Flash 里搬一小段代码(Boot0)进来。
- 核心任务: 这一步最重要的任务是把 DDR3 内存点亮。在这一步之前,那 128MB 的内存是不能用的。
- 对你画板子的意义: 你的**启动配置引脚(BOOT 选型)**必须设置正确,告诉 CPU 该去 TF 卡还是 SPI Flash 找这支“先遣队”。
3. 第三阶段:大部队进场 (U-Boot 阶段)
- 文档说: 读取下一阶段软件代码,启动操作系统。
- 通俗解释: 既然内存(DDR3)已经点亮了,空间够大了,CPU 就会搬进一个更强的程序——U-Boot。它像是个“装机向导”,负责把 Linux 内核这个“大老板”请进内存并运行。
4. 第四阶段:各部门各就各位 (驱动加载)
- 文档说: 加载相关启动模块,如 USB、音频、显示等。
- 通俗解释: Linux 跑起来了,但它还没跟硬件打招呼。这时候它会一个个点名:屏幕在吗?(显示驱动)、USB 接口有反应吗?(USB 驱动)。等这些模块都运行了,你才能在屏幕上看到图标、听到声音。
- 对你画板子的意义: 你的原理图连线要和软件里的“引脚定义”对上,否则老板(内核)喊人,硬件不答应。
5. 第五阶段:安保巡逻 (Watchdog 看门狗)
- 文档说: watchdog 监视运行,死机时发出复位信号。
- 通俗解释: 这就像个保安,CPU 必须定期给它打卡(喂狗)。如果 CPU 累晕了(程序跑飞)不打卡了,保安就会强制按一下重启键,让整个系统重来。
💡 总结成一个流程图:
$$\text{通电} \rightarrow \text{BROM (找路)} \rightarrow \text{Boot0 (开内存)} \rightarrow \text{U-Boot (请老板)} \rightarrow \text{Linux 内核 (干活)} \rightarrow \text{进入界面}$$
对你画 T113-S3 学习板最关键的启发:
- 电源上电顺序:要确保各个电压(1.8V, 3.3V, 0.9V等)按顺序出来,否则 BROM 可能会死掉。
- 启动介质连接:TF 卡或 SPI NAND 的线一定要画对,那是“先遣队”待的地方。
- 调试串口(UART0):一定要把串口引出来!因为在上面这些阶段出错时,芯片会通过串口告诉你它死在哪一步了。
这五个步骤里,你目前最担心哪一个部分的电路设计?(比如电源电路还是存储连接?)